Alcadrain Basicmodul AM112 (dříve Alcaplast)

Kód: AM112
Neohodnoceno
4 739 Kč
Alcadrain Basicmodul AM112 (dříve Alcaplast) obrázek č.: 1
4 739 Kč 3 555 Kč
Skladem u dodavatele 3-5 dní
Možnosti doručení
Podomítkový splachovač pro zazdění

Detailní informace

Detailní popis produktu

Alca Plast Basicmodul AM112

Předstěnový instalační systém určený pro na podlaze stojící toalety a turecké záchody.

Použití:
  • Pro instalaci samostatně stojících WC nebo WC pevně zabudovaných v podlaze
  • Pro zazdění a obezdění – mokrý proces

Tento inovovaný předstěnový instalační systém ALCA s kódovým označením AM112 Basicmodul nahrazuje modelovou řadu A112 Basicmodul. Instalace těchto systému je nyní rychlejší a k jejich montáži vám nyní postačí pouze jeden klíč.

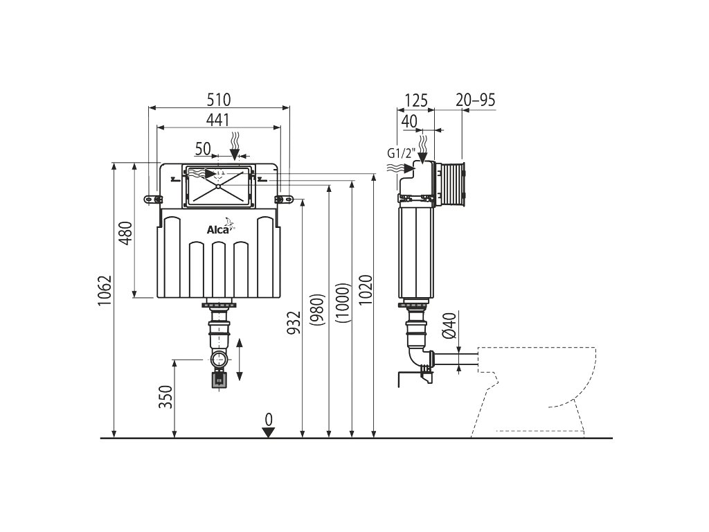
Technické parametry:
  • Doporučený rozsah tlaku vody: 0,3 – 0,5 MPa
  • Funkční rozsah tlaku vody: 0,05 – 0,8 MPa
  • Hygienická rezerva: 3 l
  • Malé spláchnutí: 2,5 – 3,5 l
  • Objem vody v nádržce: 9 l
  • Připojení vody zezadu nebo shora montážními otvory: G1/2 "
  • Standardní nastavení malého spláchnutí: 3 l
  • Standardní nastavení velkého spláchnutí: 6 l
  • Velké spláchnutí: 6 – 9 l
Vlastnosti
  • Duální splachování, nezávisle nastavitelné s hygienickou rezervou
  • Kompatibilní se všemi ovládacími tlačítky Alcaplast
  • Konstrukce polystyrenové izolace nádržky zjednodušuje zazdívání, zabraňuje rosení na povrchu nádržky a tlumí prostup vibrací z nádržky do stavební konstrukce
  • Kryt servisního otvoru zjednodušuje montáž a brání pronikání vlhkosti a nečistot
  • Montážní hloubka nastavitelná v rozmezí 20–95 mm
  • Montážní výška 1062 mm
  • Možnost vestavby oddáleného nebo senzorového splachování
  • Nádržka je vyrobena z jednoho kusu, čímž je zaručena 100% nepropustnost
  • Přívod vody zezadu/shora uprostřed
  • Rohový ventil s možností na napojení na potrubní systém Mepla
  • Servisní práce bez použití nářadí
  • Stavební hloubka 125 mm
Obsah dodávky

Splachovač bez ovládací desky

Doplňkové parametry

Kategorie: Podomítkové splachovače - nádrže
Záruka: 2 roky
EAN: 8595580550493
Část splachovače: Nádrž
Typ montáže: Pro zazdění
Šířka: 51 cm
Výška: 106 cm
Materiál: Plast, kov
Hmotnost: 5,90 kg
Typ zásilky: Balík