Sanela SLU 15 - Umyvadlová baterie s regulací teploty

Kód: SLU 15
9 111 Kč
Sanela SLU 15 - Umyvadlová baterie s regulací teploty obrázek č.: 1
9 111 Kč 6 833 Kč
1 týden
Možnosti doručení
Automatická umyvadlová směšovací baterie s elektronikou ALS, 24V DC

Detailní informace

Detailní popis produktu

Sanela SLU 15 – Umyvadlová baterie s regulací teploty Vlastnosti:

reaguje na přítomnost rukou ve snímané zóně do vzdálenosti 0,3 m od snímače okamžitým spuštěním vody
k vypnutí dojde po vyjmutí rukou po uplynutí nastavené doby (možno nastavit v rozsahu 0,25 až 7,75 s)
nastavení zpoždění vypnutí vody a možnost zablokování snímače pomocí SLD 03
funkce automatického vypnutí vody po 5 minutách
SLU 03 je určena pro přívod teplé a studené vody, teplota se nastavuje otáčením kolečka směšovací kartuše
možnost přepnutí do režimu START/STOP

Technické údaje:

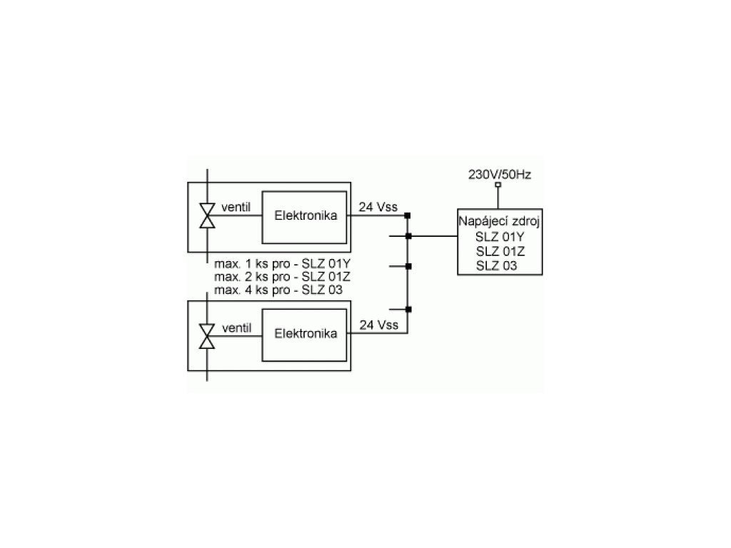
Napájecí napětí – 24 Vss
Příkon: 0,8 W (klidový), 10 W (při sepnutí ventilu)
Dosah – 0 až 0,3 m/0,05–0,1m (pevně nastaveno) v režimu START/STOP
Doporučený pracovní tlak – 0,1 až 0,8 MPa
Průtok – 12 l/min. (inf. údaj)
Vstup vody – vnější závit G 1/2“

Specifikace dodávky:

SLU 15 – obj. č. 03150 – výtokové ramínko s regulací teploty, s integrovaným blokem elektroniky, držák elektroniky, elektromagnetický ventil (2 ks), propojovací hadice, rohový ventil se zpětnou klapkou (2 ks), silikonový tmel

Baterie neobsahuje zdroj, nutno objednat zvlášť

Doplňkové parametry

Kategorie: Senzorové a bezdotykové vodovodní baterie
Záruka: 2 roky
Barva: -
Umístění: Umyvadlo
Série: SLU
Výška: 11 cm
Délka: 11 cm
Materiál: Mosaz
Typ zásilky: Balík