STIEBEL ELTRON PSH 80 WE-H - TLAKOVÝ OHŘÍVAČ VODY 76 LITRŮ

Kód: PSH 80 WE-H
Neohodnoceno
12 609 Kč
STIEBEL ELTRON PSH 80 WE-H - TLAKOVÝ OHŘÍVAČ VODY 76 LITRŮ obrázek č.: 1
12 609 Kč 10 087 Kč
Momentálně nedostupné
Možnosti doručení
Kombinovaný ležatý tlakový zásobník vody - 76 litrů

Detailní informace

Detailní popis produktu

POUŽITÍ: Kombinované zásobníky PSH WE jsou vhodné pro zásobování několika odběrných míst (samostatné a skupinové zásobování) teplou vodou, např. současné zásobování koupelny a kuchyně. Nepřímé zásobníky jsou vybaveny elektrickým trubkovým topným tělesem z ušlechtilé oceli a trubkovým výměníkem tepla k napojení například centrálního topného zařízení. Tlakový přístroj k použití se všemi běžnými tlakovými armaturami. Volitelně beztlakový k napájení jednoho odběrného místa.

VYBAVENÍ A KOMFORT: Plynulé nastavení teploty v rozmezí 7–75 °C. Ukazatel ohřevu signalizuje režim ohřevu. Ukazatel průběhu teploty pro kontrolu aktuální teploty teplé vody.

VÝKONNOST: Nízké ztráty energie díky kvalitní tepelné izolaci. Zvláště úsporné díky výhodnému napojení na topné zařízení přes integrovaný trubkový výměník tepla. Recyklovatelná konstrukce pro ekologické roztřídění různých součástí.

INSTALACE A SERVIS: Snadná výměna za všechny běžné nástěnné zásobníky. Úchyty na přístroji umožňují bezpečnou manipulaci. Univerzální nástěnný držák umožňuje rychlou a snadnou nástěnnou montáž. Instalace je možná ve spojení se systémy plastových, měděných trubek nebo trubek z ušlechtilé oceli. Příruba je vybavena druhou jímkou snímače k externí regulaci zdroje tepla. Cirkulační přípojka zvyšuje komfort teplé vody v delších rozvodných sítích. Snadno vyjímatelná topná příruba. Krytí IP 25. Velký otvor v přírubě pro efektivní a komfortní odvápnění

Různé moduly s přípojkou k trubkovému výměníku tepla vlevo (PSH WE-L) nebo vpravo (PSH WE-R). Další varianty pro horizontální instalaci (PSH WE-H).

BEZPEČNOST A KVALITA: Kvalitní magnéziová anoda. Ocelová vnitřní nádrž se speciálním přímým smaltem „anticor“ pro dlouhou životnost. Automatická ochrana před mrazem kontroluje teplotu vody a chrání nádrž před zamrznutím.

  • Vysoká úspora energie díky minimální ztrátě energetické pohotovosti
  • Přípojky výměníku tepla a elektrických topných těles pro individuální komfort teplé vody
  • Cirkulační přípojka zvyšuje komfort teplé vody v delších rozvodných sítích
  • Odolný nerezový radiátor s nízkou úrovní kalficikace
  • Ukazatel průběhu teploty na vnějším plášti
  • Vysoký komfort díky plynulému nastavení teploty v rozmezí 5 – 80 °C
  • Snadno se přepravuje a montuje díky ergonomickým zapuštěným úchytům na přístroji
  • Zavěšení na zeď pro horizontální montáž
Typ
  • Číslo produktu 236238
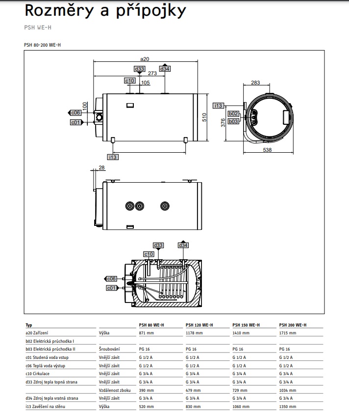
  • Jmenovitý objem 79 l
  • Průměr 510 mm
Technická data
  • Příkon ~ 230 V 2 kW
  • Jmenovité napětí 220–240 V
  • Kmitočet 50/60 Hz
  • Fáze 1/N/PE
  • Pohotovostní spotřeba energie / 24 h při 65 °C 1,04 kWh
  • Třída energetické účinnosti C
  • Barva bílá
  • Kryti (IP) IP25
  • Hmotnost prázdná 42,2 kg

Doplňkové parametry

Kategorie: Ležaté elektrické kombinované ohřívače vody a bojlery
Záruka: 5 let
EAN: 4017212362389
Objem ohřívače: 80 litrů
Šířka: 85 cm
Výška: 51 cm
Objem: 79,00 l
Barva: Bílá
Materiál: Smaltovaná ocel
Hmotnost: 42,20 kg
Typ zásilky: Nadmněrná zásilka